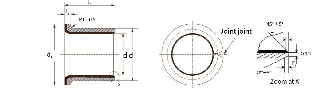
Yksikkö: mm
| Akselin halk. f7 | Asuminen H7 | Koodinumero | Koko | f 1 | f 2 | ||||
| d1 | d₂ | d₃ ±0,25 | L±0,25 | C1-0,2 | |||||
| -0,013 6 -0,028 | 8 0.015 | 06040 | 6 | 8 | 12 | 4 | 1 | 0.6 | 0.3 |
| 06070 | 7 | ||||||||
| -0,013 8 -0,028 | 10 0.015 | 08055 | 8 | 10 | 15 | 5.5 | |||
| 08075 | 7.5 | ||||||||
| -0,016 10 -0,034 | 12 0.018 | 10070 | 10 | 12 | 18 | 7 | |||
| 10090 | 9 | ||||||||
| 10120 | 12 | ||||||||
| -0,016 12 -0,034 | 14 0.018 | 12070 | 12 | 14 | 20 | 7 | |||
| 12090 | 9 | ||||||||
| 12120 | 12 | ||||||||
| -0,016 14 -0,034 | 16 0.018 | 14120 | 14 | 16 | 22 | 12 | |||
| 14170 | 17 | ||||||||
| -0,016 15 -0,034 | 17 0.018 | 15090 | 15 | 17 | 23 | 9 | |||
| 15120 | 12 | ||||||||
| 15170 | 17 | ||||||||
| -0,016 16 -0,034 | 18 0.018 | 16120 | 16 | 18 | 24 | 12 | |||
| 16170 | 17 | ||||||||
| -0,016 18 -0,034 | 20 0.021 | 18120 | 18 | 20 | 26 | 12 | |||
| 18170 | 17 | ||||||||
| 18200 | 20 | ||||||||
| -0,020 20 -0,041 | 23 0.021 | 20115 | 20 | 23 | 30 | 11.5 | 1.5 | 0.6 | 0.4 |
| 20165 | 16.5 | ||||||||
| 20215 | 21.5 | ||||||||
| -0,020 22 -0,041 | 25 0.021 | 22150 | 22 | 25 | 32 | 15 | |||
| 22200 | 20 | ||||||||
| -0,020 25 -0,041 | 28 0.021 | 25115 | 25 | 28 | 35 | 11.5 | |||
| 25165 | 16.5 | ||||||||
| 25215 | 21.5 | ||||||||
| -0,025 30 -0,050 | 34 0.025 | 30160 | 30 | 34 | 42 | 16 | 2 | 1.2 | 0.4 |
| 30260 | 26 | ||||||||
| -0,025 35 -0,050 | 39 0.025 | 35160 | 35 | 39 | 47 | 16 | |||
| 35260 | 26 | ||||||||
| -0,025 40 -0,050 | 44 0.025 | 40260 | 40 | 44 | 53 | 26 | |||
| 40400 | 40 | ||||||||

Vastaamme sinulle 12 tunnin kuluessa työpäivästä.
Huazhou on erikoistunut itsevoitelevien laakerituotteiden tutkimukseen ja kehittämiseen, tuotantoon, myyntiin ja huoltoon yhtenä suurimmista kokonaisvaltaisista yrityksistä.
Huazhou on varustettu huippuluokan T&K-laitteilla ja -henkilöstöllä, ja sillä on yli 200 erikokoista laitesarjaa, mukaan lukien kelauskoneet, lävistyskoneet, täysautomaattiset viistekoneet, täysautomaattiset kelauskoneet, raaka-aineiden sintrauslinjat jne. Se on myös varustettu tuhansilla hiomatyökalusarjoilla, ja sen tuotteiden tuotantotehokkuus on saavuttanut uuden tason. Näytteet valmistetaan 3 päivässä, ja niiden päivittäinen tuotanto on 500 000 kappaletta ja vuosituotanto satoja miljoonia kappaleita.
Käyttöönotto yli 260 erikoislaitteet, joissa on kymmeniä tuhansia muotit, yli 150 ammattilaista ja 30 automaattista tuotantolinjaa.
Tuotemyyntimme eri maakunnissa Kiinassa, ja sitä käytetään laajalti eri koneteollisuudessa, Volkswagenissa, BYD:ssä jne., ja kansainvälisillä standardeilla, vienti Venäjälle, Malesiaan, Tasaniaan, Irakiin, Romaniaan ja muihin 16 maahan.
